蘑菇成人污视频描述
| Buttweld Stub End Specification: | ||||||||
| 制造标准/Manufacturing Standards | ASME/ANSI B16.9, ASME B16.28, MSS-SP-43 | |||||||
| 尺寸/Sizes | 1/2″NB TO 36 “NB IN | |||||||
| 类型/Types | Long Stub Ends, Pipe Stub Ends, Butt weld Long Stub Ends, Lap Joint Stub End. | |||||||
| 壁厚等级/Wall Thickness | Schedule 5S, 10S, 20S, S10, S20, S30, STD, 40S, S40, S60, XS, 80S, S80, S100, S120, S140, S160, XXS and etc. | |||||||
| 增值服务/Value Added Services | Hot Dipped Galvanizing, Epoxy & FBE Coating, Electro Polish, Sand Blasting, Threading, Soldering | |||||||
| 材质/Material | Stainless Steel, Alloy Steel, Duplex, Nickel Alloys, Low temperature Steel, Carbon Steel, Cupro Nickel | |||||||
| Buttweld Stub End Material Grades: | ||||||||
| 不锈钢/Stainless Steel | ASTM A403 WP316/316L, ASTM A403 SA / A 774 WP-S, WP-W, WP-WX 304/304L, ASTM A182 F316L, 304L, DIN 1.4301, DIN1.4306, DIN 1.4401, DIN 1.4404 | |||||||
| 双相钢/Duplex & Super Duplex Steel | ASTM A 815, ASME SA 815 UNS NO S31803, S32205. UNS S32750, S32950. Werkstoff No. 1.4462 | |||||||
| 碳钢/Carbon Steel | ASTM A234, ASME SA234 WPB , WPBW, WPHY 42, WPHY 46, WPHY 52, WPH 60, WPHY 65 & WPHY 70. | |||||||
| 低温钢/Low Temperature Carbon Steel | ASTM A420 WPL3, A420 WPL6 | |||||||
| 合金钢/Alloy Steel | ASTM / ASME A/SA 234 Gr. WP 1, WP 5, WP 9, WP 11, WP 12, WP 22, WP 91 | |||||||
| 镍合金/Nickel Alloy | ASTM B336, ASME SB336, Nickel 200 (UNS No. No2200), Nickel 201 (UNS No. N02201), Monel 400 (UNS No. N04400), Monel 500 (UNS No. N05500), Inconel 800 (UNS No. N08800), Inconel 825 (UNS No. N08825), Inconel 600 (UNS No. N06600), Inconel 625 (UNS No. N06625), Inconel 601 (UNS No. N06601), Hastelloy C 276 (UNS No. N10276), Alloy 20 (UNS No. N08020), Titanium (Grade I & II), Cupro-Nickel 70/30, CuNi10Fe1Mn, CuNi30Mn1Fe. | |||||||
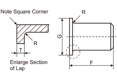
| Buttweld Stub End Dimesions: | ||||||||
| Nominal | Outside | Outsiade Diameter | Length | Radius of Fillet | Diameter of | |||
| Pipe Size | Diameter | of Barrel | F | R | Lap | |||
| (NPS) | at Bevel | Min. | Max. | ANSI | MSS | ANSI & MSS | MSS | G |
| TypeA | TypeB | |||||||
| 1/2 | 21.3 | 20.55 | 22.76 | 76.2 | 50.8 | 3 | 0.8 | 35 |
| 3/4 | 26.7 | 25.88 | 28.09 | 76.2 | 50.8 | 3 | 0.8 | 42.9 |
| 1 | 33.4 | 32.61 | 34.95 | 101.6 | 50.8 | 3 | 0.8 | 50.8 |
| 1.1/4 | 42.2 | 41.38 | 43.59 | 101.6 | 50.8 | 4.8 | 0.8 | 63.5 |
| 1.1/2 | 48.3 | 47.47 | 49.94 | 101.6 | 50.8 | 6.4 | 0.8 | 73.2 |
| 2 | 60.3 | 59.54 | 62.38 | 152.4 | 63.5 | 7.9 | 0.8 | 91.9 |
| 2.1/2 | 73 | 72.24 | 75.34 | 152.4 | 63.5 | 7.9 | 0.8 | 104.6 |
| 3 | 88.9 | 88.11 | 91.34 | 152.4 | 63.5 | 9.7 | 0.8 | 127 |
| 3.1/2 | 101.6 | 100.81 | 104.04 | 152.4 | 76.2 | 9.7 | 0.8 | 139.7 |
| 4 | 114.3 | 113.51 | 116.66 | 152.4 | 76.2 | 11.2 | 0.8 | 157.2 |
| 5 | 141.3 | 140.51 | 144.35 | 203.2 | 76.2 | 11.2 | 1.5 | 185.7 |
| 6 | 168.3 | 167.49 | 171.27 | 203.2 | 88.9 | 12.7 | 1.5 | 215.9 |
| 8 | 219.1 | 218.29 | 222.07 | 203.2 | 101.6 | 12.7 | 1.5 | 269.7 |
| 10 | 273.1 | 272.26 | 277.19 | 254 | 127 | 12.7 | 1.5 | 323.9 |
| 12 | 323.9 | 323.06 | 327.99 | 254 | 152.4 | 12.7 | 1.5 | 381 |
| 14 | 355.6 | 354.81 | 359.82 | 304.8 | 152.4 | 12.7 | 1.5 | 412.8 |
| 16 | 406.4 | 405.61 | 410.97 | 304.8 | 152.4 | 12.7 | 1.5 | 469.9 |
| 18 | 457.2 | 456.41 | 462.03 | 304.8 | 152.4 | 12.7 | 1.5 | 533.4 |
| 20 | 508 | 507.21 | 514.1 | 304.8 | 152.4 | 12.7 | 1.5 | 584.2 |
| 22 | 558.8 | 558.01 | 564.9 | 304.8 | 152.4 | 12.7 | 1.5 | 641.4 |
| 24 | 609.6 | 608.81 | 615.7 | 304.8 | 152.4 | 12.7 | 1.5 | 692.2 |
| MSS SP-43 ANSI B16.9(in mm) | ||||||||
- 联系电话- 0317-6689999 6165555
- 业务邮箱- 9905791@qq.com
- 公司地址- 河北省沧州市盐山县千童大街沧州银行对面
- 联系电话- 0317-6689999 6165555
- 业务邮箱- 9905791@qq.com
- 公司地址- 河北省沧州市盐山县千童大街沧州银行对面
版权所有:河北蘑菇视频APP网站入口在线管道有限公司 冀ICP备38834811号-6
热线:0317-6165555
9905791@qq.com