蘑菇成人污视频中心
蘑菇成人污视频应用于海洋、石油、石化、船舶、电力、热力、化工、天然气、城市工程装置、钢铁等领域。
同心异径管结构图
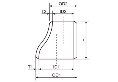
偏心大小头结构图
同心异径管结构图
偏心大小头结构图

Reducer-偏心、同心大小头(变径管)

蘑菇成人污视频描述
Buttweld Concentric Reducer Specification:
形式/Type 同心异径管、偏心异径管、同心大小头、偏心大小头
Concentric, Eccentirc
原材料/Raw Material 无缝管、焊管(SS)、板焊、圆钢(锻制高压用)。Seamless pipe, Welded pipe, Steel sheet. Round bar(Foring High pressure)
制作工艺/Manufacture Process 挤压、热压、冷加工、热加工、焊接、热处理 。Extrusion moulding, Hot Pressing, Cold-machining, Hot-machining, Welded, Heat treatment
尺寸外径/Outside Diameter Seamless Elbow ( 1/2″~24″), ERW / Welded / Fabricated Elbow (24″~60″)
壁厚压力/Wall Thickness 3mm – 40mm / SCH5, SCH10, SCH20, SCH30, SCH40, STD, SCH80, XS, SCH60, SCH80, SCH120, SCH140, SCH160, XXS
增值服务/Value Added Services 热浸镀锌,环氧树脂和FBE涂层,电抛光,喷砂,螺纹加工,焊接(Hot Dipped Galvanizing, Epoxy & FBE Coating, Electro Polish, Sand Blasting, Threading, Soldering)
制造标准/Manufacturing Standards ASME/ANSI B16.9, ASME B16.28, MSS-SP-43, GB/T12459, GB/T13401, SH3408, SH3409, JIS B2311/2220, DIN2617/2616/2615
Buttweld Concentric Reducer Material Grades:
不锈钢/Stainless Steel ASTM A403 WP304, 304L, 304H, 309, 310, 316, 316L, 317L, 321, 347
碳钢/Carbon Steel 20#, 20G,Q235-A, ASTM A 234 WPB , WPBW, WPHY 42, WPHY 46, WPHY 52, WPH 60, WPHY 65 & WPHY 70
低温钢/Low Temperature Carbon Steel 16Mn, ASTM A420 WPL3, A420 WPL6
合金钢/Alloy Steel ASTM / ASME A/SA 234 Gr. WP 1, WP 5, WP 9, WP 11, WP 12, WP 22, WP 91, WB36, 12CrMo, 15Cr5Mo, 1Cr5Mo, 12Cr1MoV
双相不锈钢钢/Duplex Steel ASTM A 815, ASME SA 815 UNS NO S31803, S32205. S31254, 254SMO, S32750,904L
镍合金/Nickel Alloy Steel ASTM / ASME SB 336 UNS 2200 ( NICKEL 200 ), UNS 2201 (NICKEL 201 ), UNS 4400 (MONEL 400 ), UNS 8020 ( ALLOY 20 / 20 CB 3, UNS 8825 INCONEL (825), UNS 6600 (INCONEL 600 ), UNS 6601 ( INCONEL 601 ), UNS 6625 (INCONEL 625), UNS 10276 ( HASTELLOY C 276 )
Buttweld Concentric Reducer Dimensions
       
Nominal Outside Diameter End­to­end
Pipe Size at Bevel 
(NPS) Large End Small End
 
3/4×1/2 26.7 21.3 38.1
3/4×3/8   17.3  
1×3/4 33.4 26.7 50.8
1×1/2   21.3  
1­1/4×1 42.2 33.4 50.8
1­1/4×3/4   26.7  
1­1/4×1/2   21.3  
1­1/2×1­1/4 48.3 42.2 63.5
1­1/2×1   33.4  
1­1/2×3/4   26.7  
1­1/2×1/2   21.3  
2×1­1/2 60.3 48.3 76.2
2×1­1/4   42.2  
2×1   33.4  
2×3/4   26.7  
2­1/2×2 73 60.3 88.9
2­1/2×1­1/2   48.3  
2­1/2×1­1/4   42.2  
2­1/2×1   33.4  
3×2­1/2 88.9 73 88.9
3×2   60.3  
3×1­1/2   48.3  
3×1­1/4   42.2  
3­1/2×3 101.6 88.9 101.6
3­1/2×2­1/2   73  
3­1/2×2   60.3  
3­1/2×1­1/2   48.3  
3­1/2×1­1/4   42.2  
4×3­1/2 114.3 101.6 101.6
4×3   88.9  
4×2­1/2   73  
4×2   60.3  
4×1­1/2   48.3  
5×4 141.3 114.3 127
5×3­1/2   101.6  
5×3   88.9  
5×2­1/2   73  
5×2   60.3  
6×5 168.3 141.3 139.7
6×4   114.3  
6×3­1/2   101.6  
6×3   88.9  
6×2­1/2   73  
8×6 219.1 168.3 152.4
8×5   141.3  
8×4   114.3  
8×3­1/2   101.6  
8×3   88.9  
8×2­1/2   73  
10×8 273.1 29.1 177.8
10×6   168.3  
10×5   141.3  
10×4   114.3  
12×10 323.9 273.1 203.2
12×8   219.1  
12×6   168.3  
12×5   141.3  
14×12 355.6 323.9 330.2
14×10   273.1  
14×8   219.1  
14×6   168.3  
16×14 406.4 355.6 355.6
16×12   323.9  
16×10   273.1  
16×8   219.1  
18×16 457.2 406.4 381
18×14   355.6  
18×12   323.9  
18×10   273.1  
18×8   219.1  
20×18 508 457.2 508
20×16   406.4  
20×14   355.6  
20×12   323.9  
20×10   273  
22×20 558.8 508 508
22×18   457.2  
22×16   406.4  
22×14   355.6  
22×12   323.8  
24×22 609.6 558.8 508
24×20   508  
24×18   457.2  
24×16   406.4  
24×16   355.6  
24×16   323.8  
26×24 660.4 609.6 609.6
26×22   558.8  
26×20   508  
26×18   457.2  
26×16   406.4  
26×14   355.6  
28×26 711.2 660.4 609.6
28×24   609.6  
28×22   559  
28×20   508  
28×18   457.2  
28×16   406.4  
28×14   355.6  
30×28 762 711.2 609.6
30×26   660.4  
30×24   609.6  
30×22   559  
30×20   508  
30×18   457  
30×16   406.4  
30×14   355.6  
32×30 813 762 609.6
32×28   711  
32×26   660  
32×24   610  
32×22   559  
32×20   508  
34×32 863.6 812.8 609.6
34×30   762  
34×28   711  
34×26   711.2  
34×24   660.4  
34×22   559  
36×34 914 864 609.6
36×32   813  
36×30   762  
36×28   711  
36×26   660  
36×24   610  
36×22   559  
38×36 965 914 609.6
38×34   864  
38×32   813  
38×30   762  
38×28   711  
38×26   660  
38×24   610  
40×38 1016 965 609.6
40×36   914  
40×34   864  
40×32   813  
40×30   762  
40×28   711  
42×40 1067 1016 609.6
42×38   965  
42×36   914.4  
42×34   863.6  
42×32   812.8  
42×30   762  
42×28   711  
44×42 1117.6 1066.8 609.6
44×40   1016  
44×38   965.2  
44×36   914.4  
44×34   864  
44×32   813  
46×44 1168.4 1117.6 711.2
46×42   1066.8  
46×40   1016  
46×38   965.2  
46×36   914  
46×34   864  
48×46 1219.2 1168.4 711.2
48×44   1117.6  
48×42   1066.8  
48×40   1016  
48×38   965  
48×36   914  
52×48 1321 1219 711.2
52×46   1168  
52×44   1118  
52×42   1067  
52×40   1016  
56×52 1422 1321 711.2
56×48   1219  
56×44   1118  
56×40   1016  
60×56 1524 1422 711.2
60×52   1321  
60×48   1219  
60×44   1118  
GB/T12459-2005, ANSI B16.9(in mm)*Wellgrow's Standard.
蘑菇视频APP网站入口在线管道

HEBEI ZHONGRAN PIPELINE CO., LTD.

河北蘑菇视频APP网站入口在线管道有限公司

版权所有:河北蘑菇视频APP网站入口在线管道有限公司    冀ICP备38834811号-6

网站建设:中企动力  石家庄

网站地图