蘑菇成人污视频中心
蘑菇成人污视频应用于海洋、石油、石化、船舶、电力、热力、化工、天然气、城市工程装置、钢铁等领域。
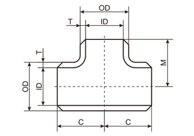
三通结构图
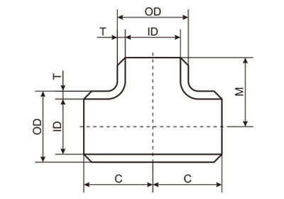
三通结构图

Steel Tee-钢制三通-等径三通-异径三通

蘑菇成人污视频描述

等径三通结构图

异径三通结构图

Buttweld Equal Tee Specification:
形式/Type 等径三通、异径三通
Equal, Reducing
原材料/Raw Material 无缝管、焊管(SS)、板焊、圆钢(锻制高压用)。Seamless pipe, Welded pipe, Steel sheet. Round bar(Foring High pressure)
制作工艺/Manufacture Process 挤压、热压、冷加工、热加工、焊接、热处理 。Extrusion moulding, Hot Pressing, Cold-machining, Hot-machining, Welded, Heat treatment
尺寸外径/Outside Diameter Seamless Elbow ( 1/2″~24″), ERW / Welded / Fabricated Elbow (1/2″~48″)
壁厚压力/Wall Thickness 3mm – 40mm / SCH5, SCH10, SCH20, SCH30, SCH40, STD, SCH80, XS, SCH60, SCH80, SCH120, SCH140, SCH160, XXS
增值服务/Value Added Services 热浸镀锌,环氧树脂和FBE涂层,电抛光,喷砂,螺纹加工,焊接(Hot Dipped Galvanizing, Epoxy & FBE Coating, Electro Polish, Sand Blasting, Threading, Soldering)
制造标准/Manufacturing Standards ASME/ANSI B16.9, ASME B16.28, MSS-SP-43, GB/T12459, GB/T13401, SH3408, SH3409, JIS B2311/2220, DIN2617/2616/2615
Buttweld Equal Tee Material Grades:
不锈钢/Stainless Steel ASTM A403 WP304, 304L, 304H, 309, 310, 316, 316L, 317L, 321, 347
碳钢/Carbon Steel 20#, 20G,Q235-A, ASTM A 234 WPB , WPBW, WPHY 42, WPHY 46, WPHY 52, WPH 60, WPHY 65 & WPHY 70
低温钢/Low Temperature Carbon Steel 16Mn, ASTM A420 WPL3, A420 WPL6
合金钢/Alloy Steel ASTM / ASME A/SA 234 Gr. WP 1, WP 5, WP 9, WP 11, WP 12, WP 22, WP 91, WB36, 12CrMo, 15Cr5Mo, 1Cr5Mo, 12Cr1MoV
双相不锈钢钢/Duplex Steel ASTM A 815, ASME SA 815 UNS NO S31803, S32205. S31254, 254SMO, S32750,904L
镍合金/Nickel Alloy Steel ASTM / ASME SB 336 UNS 2200 ( NICKEL 200 ), UNS 2201 (NICKEL 201 ), UNS 4400 (MONEL 400 ), UNS 8020 ( ALLOY 20 / 20 CB 3, UNS 8825 INCONEL (825), UNS 6600 (INCONEL 600 ), UNS 6601 ( INCONEL 601 ), UNS 6625 (INCONEL 625), UNS 10276 ( HASTELLOY C 276 )
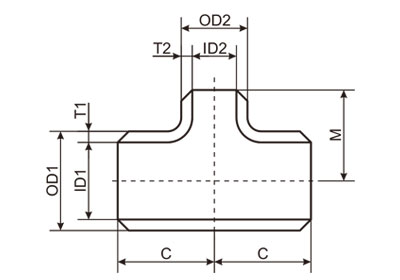
Buttweld Equal Tee  Dimesions:
Nominal Outside Diameter Center to End
Pipe Size At Bevel D
(NPS) Run Outlet Run Outlet(1)
  C M
1/2×1/2 21.3 21.3 25.4 25.4
1/2×3/8   17.1   25.4
1/2×1/4   13.7   25.4
3/4×3/4 26.7 26.7 28.4 28.4
3/4×1/2   21.3   28.4
3/4×3/8   17.1   28.4
1×1 33.4 33.4 38.1 38.1
1×3/4   26.7   38.1
1×1/2   21.3   38.1
1­.1/4×1­.1/4 42.2 42.2 47.8 47.8
1­.1/4×1   33.4   47.8
1­.1/4×3/4   26.7   47.8
1.­1/4×1/2   21.3   47.8
1­.1/2×1­.1/2 48.3 48.3 57.2 57.2
1.­1/2×1­.1/4   42.2   57.2
1.­1/2×1   33.4   57.2
1.­1/2×3/4   26.7   57.2
1.­1/2×1/2   21.3   57.2
2×2 60.3 60.3 63.5 63.5
2×1­1/2   48.3   60.5
2×1­1/4   42.2   57.2
2×1   33.4   50.8
2×3/4   26.7   44.4
2×1/2   21.3    
2.­1/2×2.­1/2 73 73 76.2 76.2
2­.1/2×2   60.3   69.8
2­.1/2×1.­1/2   48.3   66.5
2­.1/2×1.­1/4   42.2   63.5
2.­1/2×1   33.4   57.2
3×3 88.9 88.9 85.9 85.9
3×2­.1/2   73   82.6
3×2   60.3   76.2
3×1.­1/2   48.3   73.2
3×1­.1/4   42.2   69.8
3×1   33.4    
3­.1/2×3­.1/2 101.6 101.6 95.2 95.2
3­.1/2×3   88.9   91.9
3.­1/2×2.­1/2   73   88.9
3.­1/2×2   60.3   82.6
3­.1/2×1­.1/2   48.3   79.2
4×4 114.3 114.3 104.6 104.6
4×3­.1/2   101.6   101.6
4×3   88.9   98.6
4×2­.1/2   73   95.2
4×2   60.3   88.9
4×1.­1/2   48.3   85.9
4×1­.1/4   42.2    
4×1.   33.5    
5×5 141.3 141.3 124 124
5×4   114.3   117.3
5×3­1/2   101.6   114.3
5×3   88.9   111.3
5×2.­1/2   73   108
5×2   60.3   104.6
5×1.­1/2   48.3    
6×6 168.3 168.3 142.7 142.7
6×5   141.3   136.7
6×4   114.3   130
6×3­1/2   101.6   127
6×3   88.9   124
6×2­1/2   73   120.6
6×2*   60.3    
8×8 219.1 219.1 177.8 177.8
8×6   168.3   168.1
8×5   141.3   162.1
8×4   114.3   155.4
8×3.­1/2   101.6   152.4
8×3*   88.9    
10×10 273.1 273.1 215.9 215.9
10×8   219.1   203.2
10×6   168.3   193.5
10×5   141.3   190.5
10×4   114.3   184.2
12×12 323.9 323.9 254 254
12×10   273.1   241.3
12×8   219.1   228.6
12×6   168.3   218.9
12×5   141.3   215.9
14×14 355.6 355.6 279.4 279.4
14×12   323.9   269.7
14×10   273.1   257
14×8   219.1   247.6
14×6   168.3   238.3
16×16 406.4 406.4 304.8 304.8
16×14   355.6   304.8
16×12   323.9   295.1
16×10   273.1   282.4
16×8   219.1   373
16×6   168.3   263.7
18×18 457.2 457.2 342.9 342.9
18×16   406.4   330.2
18×14   355.6   330.2
18×12   323.9   320.5
18×10   273.1   307.8
18×8   219.1   298.4
20×20 508 508 381 381
20×18   457.2   369.3
20×16   406.4   355.6
20×14   355.6   355.6
20×12   323.9   345.9
20×10   273.1   333.2
20×8   219.1   323.8
22×22 558.8 558.8 419.1 419.1
22×20   508   406.4
22×18   457.2   393.7
22×16   406.4   381
22×14   355.6   381
22×12   323.9   371.3
22×10   273.1   358.6
24×24 609.6 609.6 431.8 431.8
24×22   558.8   431.8
24×20   508   431.8
24×18   457.2   419.1
24×16   406.4   406.4
24×14   355.6   406.4
24×12   323.9   396.7
24×10   273.1   384
26×26 660.4 660.4 495.3 495.3
26×24   609.6   482.6
26×22   558.8   469.9
26×20   508   457.2
26×18   457.2   444.5
26×16   406.4   431.8
26×14   355.6   431.8
26×12   323.1   422.1
28×28 711.2 711.2 520.7 520.7
28×26   660.4   520.7
28×24   609.6   508
28×22   558.8   495.3
28×20   508   482.6
28×18   457.2   469.9
28×16   406.4   457.2
28×14   355.6   457.2
28×12   323.1   447.5
30×30 762 762 558.8 558.8
30×28   711.2   546.1
30×26   660.4   546.1
30×24   609.6   533.4
30×22   558.8   520.7
30×20   508   508
30×18   457.2   495.3
30×16   406.4   482.6
30×14   355.6   482.6
30×12   323.9   472.6
30×10   273.1   460.2
32×32 812.8 812.8 596.9 596.9
32×30   762   584.2
32×28   711.2   571.5
32×26   660.4   571.5
32×24   609.6   558.8
32×22   558.8   546.1
32×20   508   533.4
32×18   457.2   520.7
32×16   406.4   508
32×14   355.6   508
34×34 863.6 863.6 635 635
34×32   812.8   622.3
34×30   762   609.6
34×28   711.2   596.9
34×26   660.4   596.9
34×24   609.6   584.2
34×22   558.8   571.5
34×20   508   558.8
34×18   457.2   546.1
34×16   406.4   533.4
36×36 914.4 914.4 673.1 673.1
36×34   863.6   660.4
36×32   812.8   647.7
36×30   762   635
36×28   711.2   622.3
36×26   660.4   622.3
36×24   609.6   609.6
36×22   558.8   596.9
36×20   508   584.2
36×18   457.2   571.5
36×16   406.4   558.8
38×38 965.2 965.2 711.2 711.2
38×36   914.4   711.2
38×34   863.6   698.5
38×32   812.8   685.8
38×30   762   673.1
38×28   711.2   647.7
38×26   660.4   647.7
38×24   609.6   635
38×22   558.8   622.3
38×20   508   609.6
38×18   457.2   596.9
40×40 1016 1016 749.3 749.3
40×38   965.2   749.3
40×36   914.4   736.6
40×34   863.6   723.9
40×32   812.8   711.2
40×30   762   698.5
40×28   711.2   673.1
40×26   660.4   673.1
40×24   609.6   660.4
40×22   558.8   647.7
40×20   508   635
40×18   457.2   622.3
42×42 1066.8 1066.8 762 711.2
42×40   1016   711.2
42×38   965.2   711.2
42×36   914.4   711.2
42×34   863.6   711.2
42×32   812.8   711.2
42×30   762   711.2
42×28 1066.8 711.2 762 698.5
42×26   660.4   698.5
42×24   609.6   660.4
42×22   558.8   660.4
42×20   508   660.4
42×18   457.2   647.7
42×16   406.4   635
44×44 1117.6 1117.6 812.8 762
44×42   1066.8   762
44×40   1016   749.3
44×38   965.2   736.6
44×36   914.4   723.9
44×34   863.6   723.9
44×32   812.8   711.2
44×30   762   711.2
44×28   711.2   698.5
44×26   660.4   698.5
44×24   609.6   698.5
44×22   558.8   685.8
44×20   508   685.8
46×46 1168.4 1168.4 850.9 800.1
46×44   1117.6   800.1
46×42   1066.8   787.4
46×40   1016   774.7
46×38   965.2   762
46×36   914.4   762
46×34   863.6   749.3
46×32   812.8   749.3
46×30   762   736.6
46×28   711.2   736.6
46×26   660.4   736.6
46×24   609.6   723.9
46×20*   508   723.9
48×48 1219.2 1219.2 889 838.2
48×46   1168.4   838.2
48×44   1117.6   838.2
48×42   1066.8   812.8
48×40   1016   812.8
48×38   965.2   812.8
48×36   914.4   787.4
48×34   863.6   787.4
48×32 1219.2 812.8 889 787.4
48×44   1117.6   838.2
48×42   1066.8   812.8
48×40   1016   812.8
48×38   965.5   812.8
48×36   914.4   787.4
48×34   863.6   787.4
48×32   812.8   787.4
48×30   862   762
48×28   711.2   762
48×26   660.4   762
48×24   609.6   736.6
48×22   558.8   736.6
52×52* 1320.8 1320.8 965.2 914.4
52×48*   1219.2   863.6
52×44*   1117.6   812.8
52×40*   1016   762
54×54* 1371.6 1371.6 1003.3 952.5
54×52*   1320.8   914.4
54×48*   1219.2   863.6
54×44*   1117.6   863.6
54×40*   1016   812.8
54×28*   711.2   787.4
54×20*   508   787.4
56×56* 1422.4 1422.4 1041.4 965.2
56×52*   1320.8   914.4
56×48*   1219.2   863.6
56×44*   1117.6   812.8
56×40*   1016   812.8
56×28*   711.2   812.8
56×20*   508   812.8
60×60* 1524 1524 1117.6 1016
60×56*   1422.4   965.2
60×52*   1320.8   914.4
60×48*   1219.2   863.6
60×40*   1016   863.6
60×28*   711.2   863.6
60×20*   508   863.6
64×64* 1626 1626 1194 1092
64×60*   1524   1067
64×56*   1422   1016
64×52*   1321   965
64×48*   1219   914
66×66* 1676.4 1676.4 1219.2 1066.8
68×68* 1727 1727 1270 1168
68×64*   1626   1143
68×60*   1524   1118
68×56*   1422   1067
68×52*   1321   1016
68×48*   1219   965
72×72* 1829 1829 1320 1245
72×68*   1727   1219
72×64*   1626   1194
72×60*   1524   1168
72×56* 1829 1422 1320 1118
72×52*   1321   1067
72×48*   1219   1016
76×76* 1930 1930 1422 1320
76×72*   1829   1295
76×68*   1727   1270
76×64*   1626   1245
76×60*   1524   1219
76×56*   1422   1168
76×52*   1321   1118
76×48*   1219   1067
80×80* 2032 2032 1499 1397
80×76*   1930   1372
80×72*   1829   1346
80×68*   1727   1321
80×64*   1626   1295
80×60*   1524   1270
80×56*   1422   1219
80×52*   1321   1168
80×48   1219   1118
GB/T12459-2005, MSS SP-75 ANSI B16.9(in mm*Wellgrow's standard

 

 

蘑菇视频APP网站入口在线管道

HEBEI ZHONGRAN PIPELINE CO., LTD.

河北蘑菇视频APP网站入口在线管道有限公司

版权所有:河北蘑菇视频APP网站入口在线管道有限公司    冀ICP备38834811号-6

网站建设:中企动力  石家庄

网站地图